MPMSによる低温磁気測定

1.低温磁気測定

物質の磁性は温度が変化すると,非常に敏感に反応します.一般に磁化や磁化率は温度が下がると大きくなります.それだけでなく,特定の温度で磁気的に急激な変化(相変態)を示す場合があります.例えばキュリー点やフェルベー点などと呼ばれている磁気的相変態点です.このような相変態は鉱物ごとに異なった温度で起こりますから,磁性鉱物の種類をきめるための非常に有力な方法となります.

室温以下の低温での測定の大きな利点は,加熱しないので,試料の酸化や熱による変質が起こらないことです.この点が,同じく温度に対する磁性の変化を測定する高温測定との大きな違いです.そのため,とくに堆積物などの変質しやすい試料の研究方法として優れています.典型的な研究例として,ODPの堆積物中の磁性鉱物が,海底直下の酸化的な環境から深度とともに還元的になるしたがって変化していく例を示します(Torii, 1997).

図1-1
ODP Leg161 (Western Mediterranean Sea) 海底堆積物の低温磁性の深さ方向への変化(Torii, 1997より改変).左上から右下に向かって深くなっていく.最初マグヘマイトの表皮に覆われていたマグネタイトが存在しているが,だんだん表皮が溶けてマグネタイトが表れ,さらに深くなると全て溶けてしまうことが読み取れる.
Fig 1-1.jpg

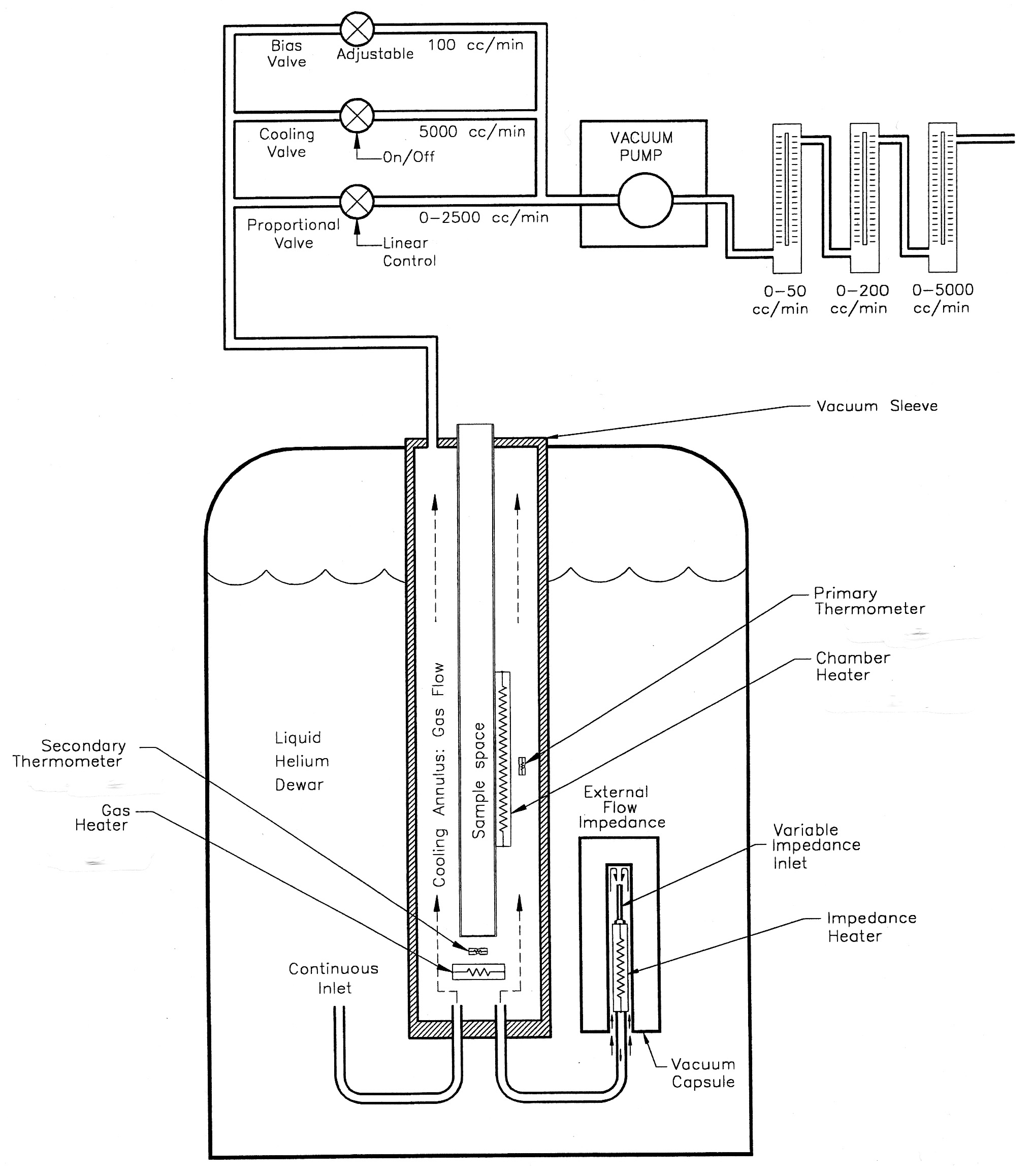
2.MPMS

低温磁気測定は,VSMや熱磁気天秤などいろいろな装置を用いて行うことができますが,一般的にいって必ずしも簡単な測定ではありません.とくに液体窒素の沸点(77 K)以下の温度領域での測定はかなりたいへんです.しかし,15年以上前から米国カンタムデザイン社のMPMS (Magnetic Property Measurement System)という装置が普及しだし,誰でも簡単に測定ができるようなりました.現在国内の関係研究室では,高知コアセンター(KCC)以外に,産業技術総合研究所(AIST)の地質情報研究部門,JAMSTEC(横須賀),富山大,京大,同志社大,岡山理科大などにあります.

MPMSという装置を簡単に説明しますと,液体ヘリウムで超伝導磁石とSQUID素子を冷やしながら,試料の温度や磁場を自由に変えて,しかも高感度で磁性測定ができる万能型の装置です.SQUID素子はU-channelの残留磁化を測定する磁力計でも使用されている,きわめて高感度で磁束を測定できる素子です.しかし,MPMSでは試料の自然残留磁化を測定するのではなく,超伝導磁石が発生する最大5ないし7テスラという強力な磁場を試料に作用させて測定します.さらに,試料がおかれている空間は,液体ヘリウムから蒸発してくるヘリウムガスを加熱したり,あるいは減圧したりすることで,1.9 Kから400 Kの範囲で自由に温度を変えることができます.つまり,磁場と温度を自由に変えながら,試料のもっている微弱な磁化をSQUID素子によって検出するわけです.

数テスラという強磁場の中で,高感度のSQUID素子を動作させることが技術的にはもっとも難しい部分で,カンタムデザイン社はこれに成功して,現在では独占的地位を確立しています.それ以外に,温度変化も最速10 K/minと高速であること,さまざまなオプションが選べる(交流磁化率,異方性測定,高温測定など)などの特徴があります.なお,装置全体は高透磁率のミューメタルでシールドされています.これは,コアセンターにある他の実験装置類と似ていますが,シールドの目的は超伝導磁石が発生する大きな磁場を実験装置の外に漏らさないためで,他の装置とは正反対の役割を果たしています.

なお,古地磁気関係者の間では,SQUIDといえばパススルー測定などに用いている2G社の残留磁化測定装置(Superconducting Rock Magnetometer)を指しますが,他の一般的な磁性測定の分野では,MPMSか類似の装置をさすことが多いので,混同しないように注意が必要です.

図2-1
MPMSの本体(左側)とコンソール(右側)
Fig 2-1.jpg
図2-2
MPMSの構造とエバークール(ヘリウムガス再凝縮装置)の概略
Fig 2-2.jpg
図2-3
MPMSの超伝導磁石,温度計,試料位置など
Fig 2-3.jpg
図2-4
MPMSの液体ヘリウムとヘリウムガス
Fig 2-4.jpg

3.試料作成

測定用試料の準備と作り方を説明します.岩石もしくは堆積物の試料は,チップ状もしくは粉末状にして,重さにして最大で0.1 g程度必要です.実際には0.01 gもあれば十分ですし,試料が多いと磁化が強すぎて測れなくなることもあります.ただし,十分乾燥している必要があります.試料が水分を含んでいると,水の氷点前後で体積に変化が生じて試料が動いてしまい,それが大きなノイズになります.

試料はゼラチンでできたカプセルに入れます.カプセルは風邪薬などのカプセルと同じものですが,薬品納入業者から買うことできます.リリー社製ゼラチンカプセルNo.4が,透明でサイズもちょうどです.ゼラチンカプセルですから,水分を含んだ試料を入れますと溶けますし,保存中も湿気らないように注意が必要です.この中に試料を入れ,中で試料が動かないようにできるだけ磁気的にきれいな物質(たとえば反磁性体の高純度石英綿)で詰めます.そして,カプセルの反対側に空気抜きのための小さい穴をあけます.これを忘れますと,装置の中を空気(酸素)で汚染してしまいます.酸素は低温になると装置内で凍り付きますし,強い常磁性体なので無視できなノイズ源になります.

カプセル以外には,5 cm四方ぐらいのラップで試料をくるんで,小さく折り畳む方法もあります.この方が簡単に作れますが,内部にどうしても空気が残るので,あまりお勧めの方法ではありません.どのような作り方をするにしろ,試料の重さはきちんと測定する必要があります.

次に,このカプセルをストローの真ん中より1 cmぐらい上に固定します.このやり方は文章だけでは理解しにくいと思いますので,実際に見て憶えてください.なお,原則としてカンタムデザイン社提供のストローを使ってください.いろいろ試してみましたが,色付きのものはノイズが大きかったり,あるいは低温で割れたりしますので,やはり「純正品」がいいようです.

図3-1
カプセルとストロー
Fig 3-1.jpg

なお,MPMSは非常に高感度ですから,試料を作成するときには,磁気的なコンタミネーションに特に注意してください.道具や手を事前にきれいにし,とくに金属製品の使用は注意してください.ナイフやハサミなどの鉄製品はもちろんのこと,ステンレス製器具も使用しないほうがいいでしょう.チタンかセラミック製の道具を使いましょう.

4.測定

MPMSの使い方はかなり簡単ですが,それなりに憶えなければいけない手順があります・実際にはマニュアルを見ながら操作してください.以下では重要なポイントだけ示すことにします.

4.1 試料の出し入れは,必ず温度を300 Kにしてから行ってください.装置としては100 K以上で可能になっていますが,トラブルの原因となりますから,300 Kでしてください.なお,ハード的な操作は試料の出し入れだけで,他の操作はすべてパソコンからになります.

4.2 新しい試料をセットしたら,サンプル空間のパージ(排気した後ヘリウムガスで置換する操作)を常温で少なくとも4回は行います.これは水蒸気や酸素の混入を防ぐためです. 低温でパージしても凍り付いてしまうので効果ありません.

4.3 試料を正しく測定位置にセットする(センタリング)には磁場が必要ですが,できるだけ低い磁場(1 mT程度)で行う方がいいです.磁場が低くてセンタリングがやりにくいときには,少しずつ磁場を増やしてみてください.これは,後述するように300 Kでの熱残留磁化(TRM)獲得をできるだけ小さくするためです.

4.4 測定はシーケンス(測定プログラム)によって自動的に行われます.シーケンスを作るためにはプログラム言語などは必要ありません.キーボードからの操作が自動的に記録されてシーケンスが作られます.最初のうちは,だれか慣れた人が作ったシーケンスをコピーして使うのがいいでしょう.1つ1つの操作の意味が分かってきたら,自分なりに改造していくのは簡単です.

4.5 残留磁化を測定するためには,試料位置の磁場をゼロにする必要があります.磁場があれば誘導磁化(あるいは磁化率)を測定することになってしまいます.超伝導マグネットは永久電流が流れているので,常にいくらか磁場が発生しています.この点が普通の電磁石と大きく違う点です.そのため,コイルの一部の温度を上げて常伝導状態にして,永久電流を熱に変えて逃がす必要があります.このための操作をmagnet resetといいます.magnet resetをしないと残留磁化は測定できません.

4.6 データは自分のフォルダーを作って,そこに保存します.これをちゃんとしておかないと,データが行方不明になったり,他人のデータを上書きしたりしてしまいます.

4.7 測定中は,装置の動作を記録するために記録(ログ)を自動的にとるようにしてください.ログが残っていれば,トラブルが起こった場合,なにが起こったのかを知ることができます.MPMSの測定は数時間以上かかりますから,ずっと見ているわけにいきません.そのためログをとることが是非必要です.

5.測定モード

私たちがMPMSでよく行う測定は,低温(10 K前後)で獲得させたIRM(等温残留磁化)の温度変化を300 Kまで測定する(IRMの熱消磁)方法です.これは,鉱物ごとの磁気的相変態を検出するのに便利な方法です.300 Kから下げていっても同じことなのですが,MPMSは温度を上げていく方が動作がスムーズです.

IRMの測定には2つの重要なオプションがあります.それは,室温から低温までの下げ方の違いです.通常は室温から10 Kぐらいまで下げるときには,無磁場中で下げていきます.これをZFC (Zero-Field Cooling)と呼んでいます.これが普通のモードです.

これ以外に,室温から下げるときに1 T程度の強磁場中で下げることがあります.これはFC(Field Cooling)と呼ばれています.同一の試料についてZFCを測定したのち,引き続いてFC測定をすることがあります.時間は倍かかりますが,後で述べるように有益な情報がえられることがあります.FCの意味はいろいろありますが,分かりやすい考え方として300 Kで試料に与えたTRMであるという解釈があります.300 Kといえども,10 Kに比べれば非常に高温ですから,当然TRMが試料につきます.ですから,低温から300 Kに戻すときには,このTRMも消磁されたり,相変態にともなって現れたりします.しかし,TRMが関係した変化では理解できない現象も多く,まだ未解決の部分がたくさんあります.

図5-1
同一試料についてのZFCとFC測定の例
Fig 5-1.jpg

磁化率あるいは誘導磁化の測定もよく行われます.この場合は,磁場中で温度を上げたり,下げたりする測定になります.交流磁場を発生させることもできますので,交流磁化率も測定できます.交流の周波数を変えることができますので,磁化率の周波数依存性を正確に測定することができます.誘導磁化測定の1つとして,磁気ヒステリシスを測定することも当然できます.ただし,超伝導磁石は常伝導磁石と異なり磁場を上げ下げするのに時間がかかります.そのために,多数のステップで測定しようとすると何日間もかかったりしますので,あまりMPMS向きの測定ではありません.しかし,低温でのヒステリシス測定には信頼できる装置です.

IRMの獲得曲線を詳しく決めるための測定にも便利な装置になります.IRM unmixingと呼ばれている実験のためには,例えば0.1 mTから数Tまで100段階以上で精密にIRMを獲得させる必要があります.このような実験には,全行程を自動で行えるMPMSはたいへん便利な装置です.ただし,各段階で必ずmagnet resetが必要なので,ヘリウムの消費量が非常に多くなり,エバークール(ヘリウムガス再凝縮装置)による液化が追いつかなくなることがあります.

図5-2
MPMSをもちいたIRM獲得曲線の例
Fig 5-2.jpg

特殊なオプションを用いると,800 Kまでの高温でも測定できます.完全ヘリウム雰囲気での加熱なので,酸化を避けたい実験には適していますが,詳細は省きます.

6.データ解析

測定結果は,MPMSをコントロールしているPCですぐ見ることができますが,いろいろな処理をするためにはデータをUSBにコピーして,自分のPCで作業します.データはテキスト形式でセーブされていますから,カレイダグラフやエクセルなどでグラフにできます.基本的には,温度 vs 磁化(あるいは磁化率)というグラフを描くことになります.ただし,ヒステリシスなどの場合は磁場 vs 磁化になります.なお,磁化の絶対値が問題になることが多いですから,試料の重さを正確に測定して,単位質量あたりの磁化(Am^2/kg)とするほうがいいです.なお,装置ごとにSI系かcgs系のどちらかに設定されていますから注意が必要です.

よく測定されている,IRMの温度変化について説明します.低温で獲得されたIRM(低温ではなかなか飽和しないので通常SIRMにはなりません)を室温まで温度を上げながら変化を見ていくと,次のようなことが分かります.基本的には温度上昇とともに磁化はスムーズに減少していきます.これは自発磁化の一般的特性です.このようなスムーズな変化以外に,ある特定の温度で磁化が急激に変化することがあり,これが磁気的な相変態です.具体的な例を以下に説明します.

6.1 マグネタイト(Fe3O4)のフェルベー相変態(Tv):マグネタイトは〜120 Kで,低温で獲得させたIRMがシャープに減少します.磁化以外にも電気抵抗が急減したり,比熱に異常が見られたり,物性に大きな変化が起こります.この現象はVerwey(1939)によって詳しく研究されたので,Verwey transitionと呼ばれています.しかし,未だに原因は完全には分かっていないようです.最近の研究によると,Wigner crystalという概念が関係してくる量子力学的な話になっています.興味のある方はWalz (2002)を読んでみてください.原理はともかくとして,Tvは非常に感度よく検出できますので,極微量なマグネタイトの存在を示すのに非常に効果的な方法です(例えば,Horng et al., 1998).

図6-1
マグネタイトのフェルベー相変態(Tv)
Fig 6-1.jpg

また,Özdemir et al. (1993)によって,粒径,酸化度によってTvの現れ方が変わることが詳しく研究されています.低温酸化されるにしたがってTvが低温側にシフトしていきます.また,純粋なマグネタイトではなく,ウルボスピネルとの固溶体を作っているチタノマグネタイトになると,Tvの現れ方はさらに複雑になってきます.これは,非常に興味深いテーマで,まだまだ研究が必要です.

図6-2:マグネタイトの粒径,酸化度とTvとの関係(Fig. 1; Özdemir et al., 1993)

図6-3:チタノマグネタイトの組成とTvとの関係(Fig. 1; Moskowitz et al., 1998)

6.2 ピロータイト(Fe7S8)の相変態:低温で獲得させたIRMは~34 Kで劇的に減少します(Rochette et al., 1990).Tπ点といわれることもありますが,この呼び方は一般的ではないようです.これが観察されるのは,ピロータイトの中でもFe7S8の化学式をもつ単斜晶系のピロータイトだけです.この転移点の原因もまだはっきりしていないようですが,Dunlop and Özdemir (1997)は,結晶磁気異方性の大きさがこの温度で入れ替わることに原因があるのではないかとしています.

図6-4
ピロータイトの低温磁気相変態
Fig 6-4.jpg

6.3 ヘマタイト(Fe2O3)のモーリン点:ヘマタイトは〜260 Kで磁性が変化します(Liebermann and Banerjee, 1971).Field coolingしたIRMを暖めていくと,260 K前後でIRMが増えるのがはっきり見えます.ヘマタイトはモーリン点より上では磁化はC面内にあり,キャント磁性体になっています.しかし,モーリン点以下では磁化がC軸に平行になり,完全反強磁性体に変わります.つまりモーリン点以下では,キャント磁性起源のヘマタイトの残留磁化は失われてしまいます.再び,モーリン点より温度が上がると,磁化が復活してきますが,その理由はまだ完全には理解できていないようです.

図6-5
ヘマタイトのモーリン点
Fig 6-5.jpg

6.4 最近話題になることが多いグレイガイト(Fe3S4)ですが,1.9 Kまで下げても低温では相変態を示しません(Chang et al., 2008).低温で相変態しないことがグレイガイトの1つの特徴といってもいいでしょう.

図6-6
グレイガイトの低温磁気特性
Fig 6-6.jpg

実は,他のいろいろ磁性鉱物についてはまだあまりよく分かっていません.マグネタイトでさえチタンがはいってくると,どのような低温磁気特性を示すのかそれほどはっきりしていません.ましてやチタノマグヘマイトのことなどほとんど分かっていません.それでも着実に低温磁性の研究は進んでいます(Kosterov, 2007).

参考文献

  • Chang, L., A. P. Roberts, Y. Tang, B. D. Raiford, A. R. Muxworthy, Q.-W. Chen, Fundamental magnetic parameters from pure synthetic greigite (Fe3S4), J. Geophys. Res., 113, doi:10.1019/2007JB005502, 2008.
  • Dunlop, D. J. and Ö. Özdemir, Rock Magnetism: Fundamentals and frontiers, Cambridge Univ. Press, 573 pp., 1997.
  • Horng, C.-S., M. Torii, K.-S. Shea, and S.-J. Kao, Inconsistent magnetic polarities between greigite- and phyrrhotite/magnetite-bearing marine sediments from the Tsailiao-chi section, southwest Taiwan, Earth Planet. Sci. Lett., 164, 467-481, 1998.
  • Kosterov, A., Magnetic properties, low-temperature, in Encyclopedia of Geomagnetism and Paleomagnetism, eds. D. Gubbins and E. Herreo-Ververa, Springer,The Neterland, 515-525, 2007.
  • Liebermann, R. C. and S. K. Banerjee, Magnetoelastic interactions in hematite: Implication for geophysics, J. Geophys. Res., 76, 2735-2756, 1971.
  • Moskowitz, B. M., M. Jackson, and C. Kissel., Low-temperature magnetic behavior of titanomagnetites, Earth Planet. Sci. Lett., 157, 141-, 1998.
  • Özdemir, Ö., D. J. Dunlop, and B. M. Moskowitz, The effect of oxidation on the Verwey transition in magnetite, Geophys. Res. Lett., 20, 1671-, 1993.
  • Rochette, P., G. Fillion, J.-L. Mattei, and M. J. Dekkers, Magnetic tranisition at 30-34 Kelvin in pyrrhotite: insight into widespread occurence of this mineral in rocks, Earth Planet. Sci. Lett., 98, 319-328, 1990.
  • Torii, M. Low-temperature oxidation and subsequent downcore dissolution of magnetite in deep-sea sediments, ODP Leg 161 (Western Mediterranean), J. Geomag. Geoelectr., 49, 1233-1245, 1997.
  • Verwey, E. J. W., Electron conduction of magnetite (Fe3O4) and its transition point at low temperatures, Nature, 144, 327-328, 1939.
  • Walz, F., The Verwey transition - a topical review, J. Phys.: Condens. Matter, 14, R285-R340, 2002.

執筆者

  • 2008年7月: 鳥居雅之, J-DESCコアスクール・古地磁気コースの講習資料として.

添付ファイル: fileFig 1-1.jpg 2825件 [詳細] fileFig 6-6.jpg 2449件 [詳細] fileFig 6-1.jpg 2452件 [詳細] fileFig 5-1.jpg 2391件 [詳細] fileFig 2-3.jpg 3098件 [詳細] fileFig 2-4.jpg 3187件 [詳細] fileFig 2-2.jpg 3194件 [詳細] fileFig 6-5.jpg 2611件 [詳細] fileFig 6-4.jpg 2710件 [詳細] fileFig 5-2.jpg 3053件 [詳細] fileFig 3-1.jpg 2715件 [詳細] fileFig 2-1.jpg 2853件 [詳細]

トップ   差分 リロード   一覧 単語検索 最終更新   ヘルプ   最終更新のRSS
Last-modified: 2012-08-23 (木) 17:27:37 (5011d)